Немецкий аналог индекса гти

0
Шкала оценки онкологических больных
Шкала оценки онкологических больных
Фольксваген гольф поколения
Фольксваген гольф поколения
ГТИ расшифровка
ГТИ расшифровка
Станции ГТИ DTCIS
Станции ГТИ DTCIS
Импульсный нейтронный каротаж
Импульсный нейтронный каротаж
Класс шероховатости поверхности таблица
Класс шероховатости поверхности таблица
Volkswagen Golf GTI 2021
Volkswagen Golf GTI 2021
Таблица глюкокортикоидов
Таблица глюкокортикоидов
Импульсный нейтронный каротаж

Фотография Импульсный нейтронный каротаж

Гамма-каротаж скважин диаграмма
Гамма-каротаж скважин диаграмма
Global terrorism index
Global terrorism index
VW Golf r mk8
VW Golf r mk8
Цифровые датчики
Цифровые датчики
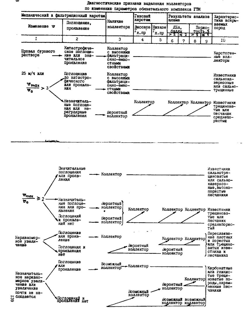
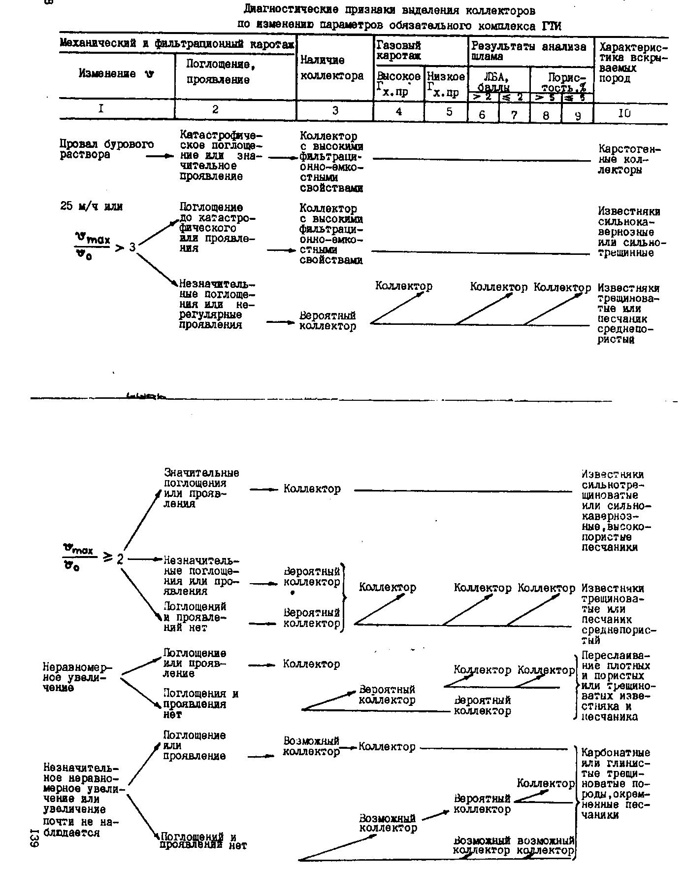
Диагностический признак
Диагностический признак
Фольксваген гольф gti tcr
Фольксваген гольф gti tcr
Volkswagen golf gti 2024 2025
Volkswagen golf gti 2024 2025
Диски Volkswagen Golf 8
Диски Volkswagen Golf 8
Фольксваген гольф 8 gti
Фольксваген гольф 8 gti
Пульт бурильщика Леуза
Пульт бурильщика Леуза
Extreme a.m.g. vrs 0w/5w-30 gti

Фотография Extreme a.m.g. vrs 0w/5w-30 gti

Импланты astra tech
Импланты astra tech
Завод Физприбор
Завод Физприбор
График штамповых испытаний грунтов
График штамповых испытаний грунтов
Golf 8 gti
Golf 8 gti
Volkswagen golf 8 r line
Volkswagen golf 8 r line
Фольксваген гольф gti
Фольксваген гольф gti
Golf r 2025
Golf r 2025
Абатмент угловой Osstem мультиюниты
Абатмент угловой Osstem мультиюниты
Диффузор бампера заднего maxton design для volkswagen golf vii r (13-16)
Диффузор бампера заднего maxton design для volkswagen golf vii r (13-16)
Фольксваген гольф gti 2023
Фольксваген гольф gti 2023
Extreme a.m.g. VRS 0w/5w-30 GTI
Extreme a.m.g. VRS 0w/5w-30 GTI
Golf 7 занижение
Golf 7 занижение
Мультиюниты Dentium
Мультиюниты Dentium
Газовый каротаж в процессе бурения
Газовый каротаж в процессе бурения
Golf 7 Eibach
Golf 7 Eibach
Golf 8 GTI Clubsport
Golf 8 GTI Clubsport
Передаточные числа МКПП Ауди а6 с4
Передаточные числа МКПП Ауди а6 с4
Выхлоп Golf 6 GTI
Выхлоп Golf 6 GTI
Volkswagen Apr
Volkswagen Apr
Гольф 7 черный
Гольф 7 черный
Фольксваген Сирокко 2020
Фольксваген Сирокко 2020
Удаленный мониторинг бурения
Удаленный мониторинг бурения
2024 Golf GTI 380
2024 Golf GTI 380
VW Golf GTI TCR
VW Golf GTI TCR
Golf 7 GTI Рестайлинг
Golf 7 GTI Рестайлинг
Volkswagen Golf GTI 2019
Volkswagen Golf GTI 2019
Геотест 5 станция ГТИ
Геотест 5 станция ГТИ
Golf 8 GTI ABT
Golf 8 GTI ABT
Golf 7 oz Ultraleggera
Golf 7 oz Ultraleggera
0

Похожие фотографии

Комментарии (0)

Кликните на изображение чтобы обновить код, если он неразборчив