Автоматическое вождение самолета

0
Garmin Avionics
Garmin Avionics
Boeing 787 кабина
Boeing 787 кабина
Тренажер АМТ 231
Тренажер АМТ 231
Автопилот в самолете
Автопилот в самолете
Embraer phenom 100ev cockpit
Embraer phenom 100ev cockpit
Дополненная реальность в авиации
Дополненная реальность в авиации
Система посадки самолетов
Система посадки самолетов
Штурвал для авиасимулятора Microsoft Flight
Штурвал для авиасимулятора Microsoft Flight
Cessna-172 кабина авиатренажер

Фотография Cessna-172 кабина авиатренажер

Авиатренажер SSJ 100
Авиатренажер SSJ 100
Авиатренажер 737
Авиатренажер 737
Штурвал боинг 737
Штурвал боинг 737
Авиатренажер 737
Авиатренажер 737
Схема ручного управления рулем высоты направления и элеронами
Схема ручного управления рулем высоты направления и элеронами
Панель автопилота а320
Панель автопилота а320
Garmin g1000
Garmin g1000
Вояж авиасимулятор
Вояж авиасимулятор
Лазерная система посадки глиссада
Лазерная система посадки глиссада
Mq 9 дронов
Mq 9 дронов
Что такое пилотирование решения

Фотография Что такое пилотирование решения

Система автоматического вождения ALLYNAV af-305
Система автоматического вождения ALLYNAV af-305
Автопилот на трактор
Автопилот на трактор
Группа БПЛА Рой
Группа БПЛА Рой
Точное земледелие
Точное земледелие
Точное земледелие
Точное земледелие
Автопилот в самолете
Автопилот в самолете
Агронавигатор Тримбл 750
Агронавигатор Тримбл 750
IPAD Pro в самолете
IPAD Pro в самолете
Боинг 787 кабина
Боинг 787 кабина
Авиатренажер VR
Авиатренажер VR
Garmin head up display
Garmin head up display
Кабина Cessna 172s
Кабина Cessna 172s
Система автопилота самолета
Система автопилота самолета
Панель автопилота 737
Панель автопилота 737
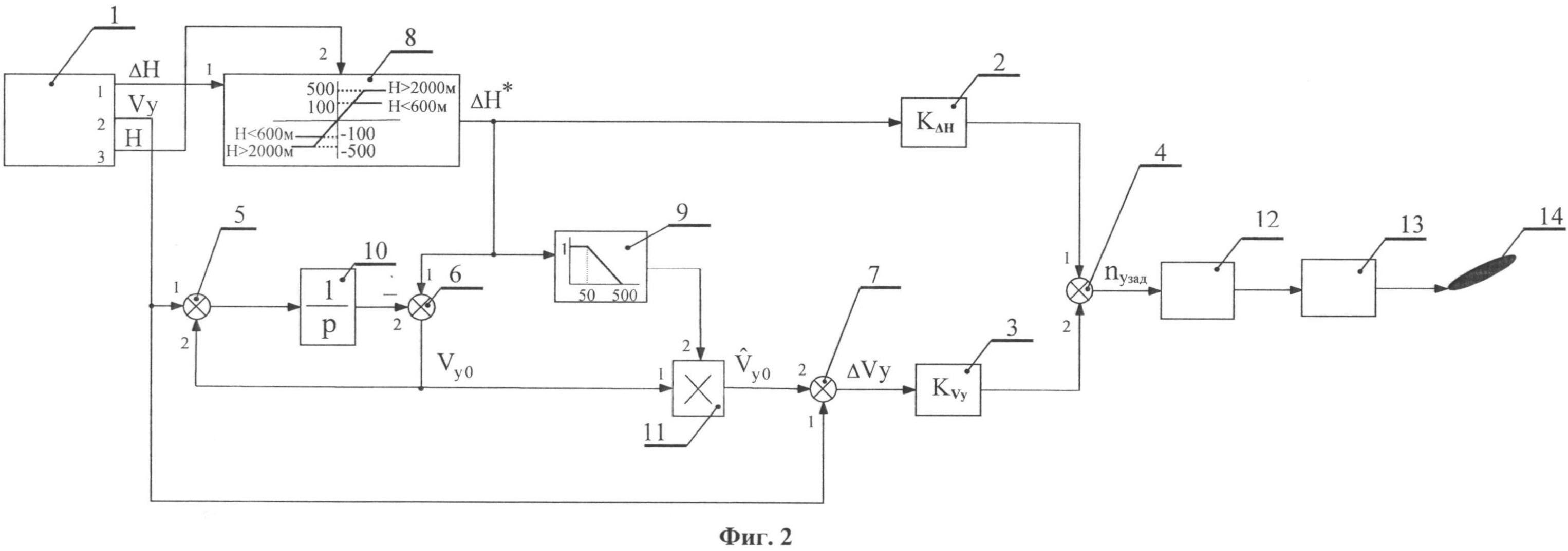
Система автоматического управления самолетом
Система автоматического управления самолетом
Беспилотная Авиационная система схема
Беспилотная Авиационная система схема
Система посадки самолетов
Система посадки самолетов
Tecnam p2006t

Фотография Tecnam p2006t

Авиатренажер Су 57
Авиатренажер Су 57
Цесна 172s кабина
Цесна 172s кабина
VR для пилотов
VR для пилотов
Наземная станция управления БПЛА
Наземная станция управления БПЛА
Панель бортинженера ту-154м
Панель бортинженера ту-154м
Кабина самолета
Кабина самолета
Текст из справочника
Текст из справочника
Кабина самолета
Кабина самолета
Штурвал для авиасимулятора
Штурвал для авиасимулятора
Компьютер для тренажера
Компьютер для тренажера
Barracuda БПЛА
Barracuda БПЛА
F-35 кабина
F-35 кабина
FJ Dynamics Автопилот
FJ Dynamics Автопилот
Автоматическое управление самолетом книга
Автоматическое управление самолетом книга
0

Похожие фотографии

Комментарии (0)

Кликните на изображение чтобы обновить код, если он неразборчив