Посадка в системе вала

0
Что такое система вала и система отверстия метрология
Что такое система вала и система отверстия метрология
Посадка в системе отверстия
Посадка в системе отверстия
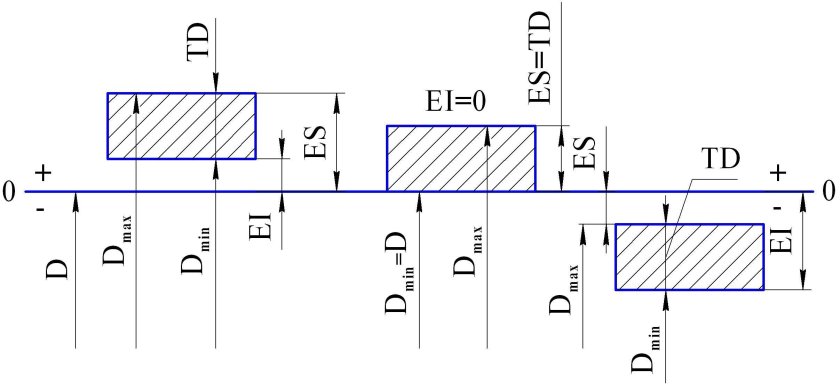
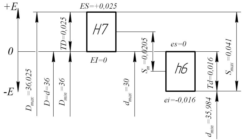
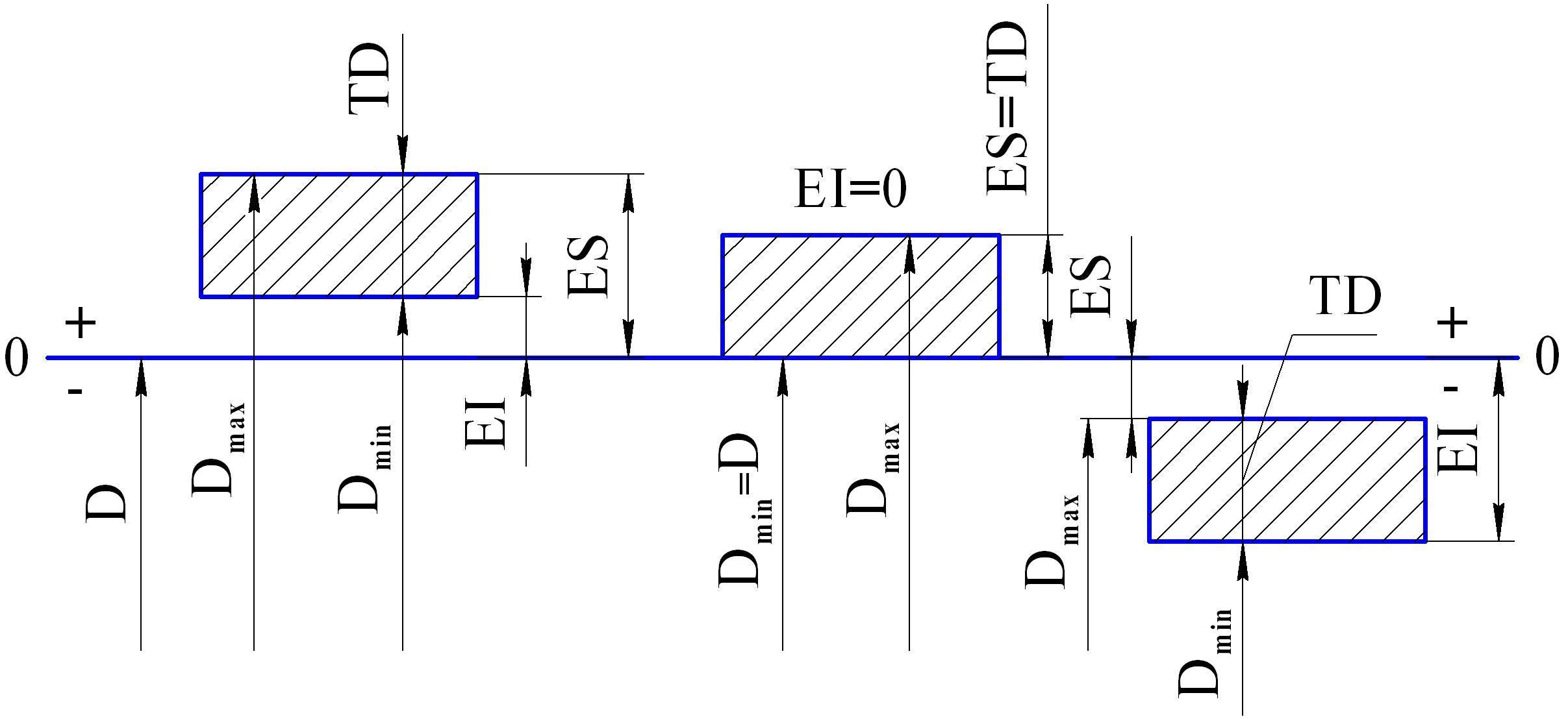
Поле допуска основного отверстия
Поле допуска основного отверстия
Система вала и система отверстия
Система вала и система отверстия
Схема расположения полей допусков
Схема расположения полей допусков
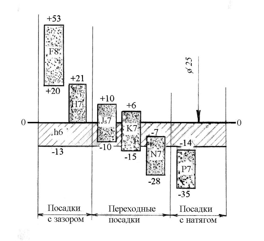
Посадка с зазором в системе вала
Посадка с зазором в системе вала
Система вала
Система вала
Допуски и посадки размеров менее 1 мм
Допуски и посадки размеров менее 1 мм
Система посадок вал отверстие

Фотография Система посадок вал отверстие

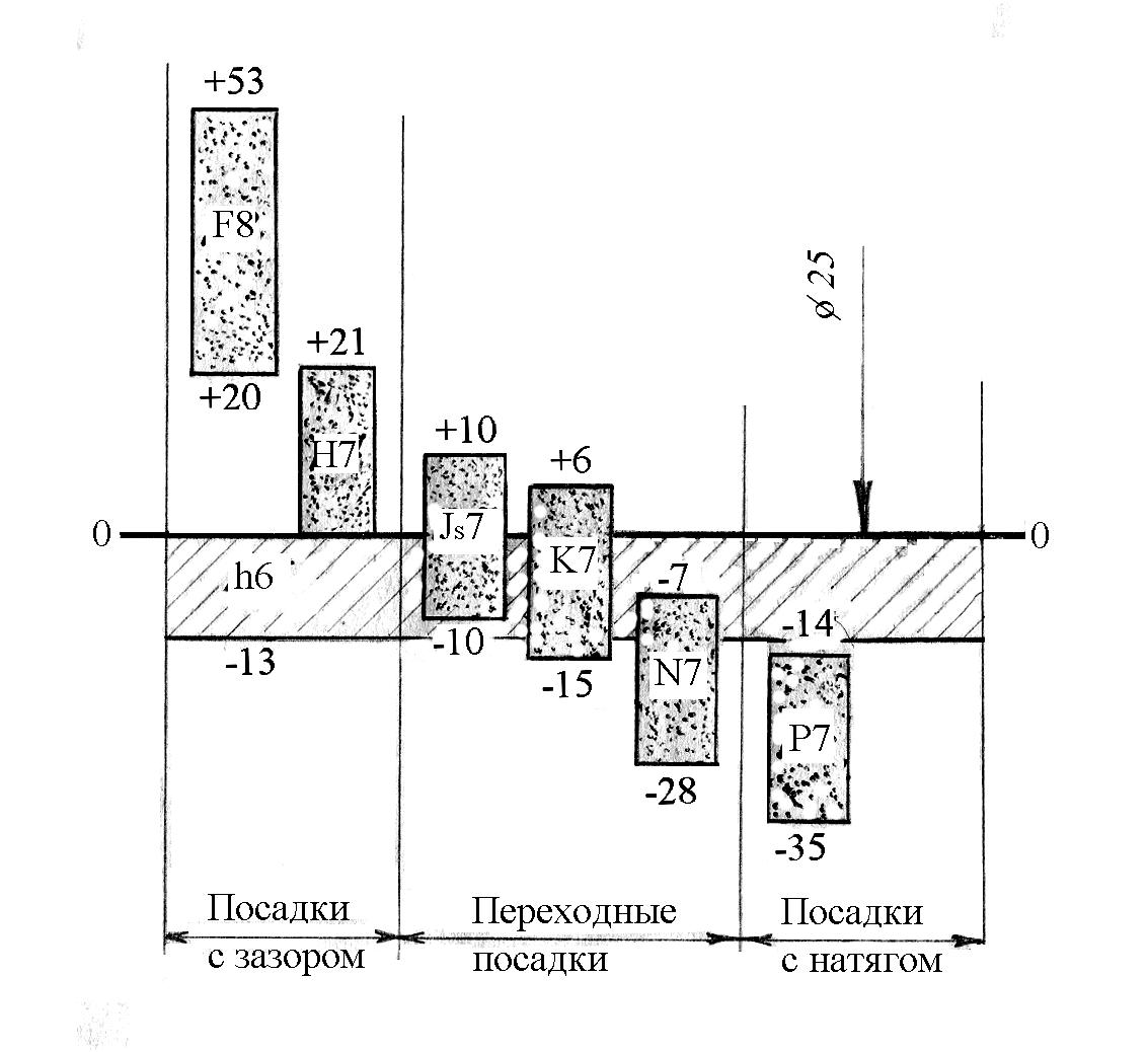
Таблица полей допусков и посадок валов и отверстий
Таблица полей допусков и посадок валов и отверстий
Посадки с натягом рекомендуемые таблица
Посадки с натягом рекомендуемые таблица
Скользящая посадка подшипника на вал допуски и посадки
Скользящая посадка подшипника на вал допуски и посадки
Что такое система вала и система отверстия метрология
Что такое система вала и система отверстия метрология
Прессовые посадки с натягом
Прессовые посадки с натягом
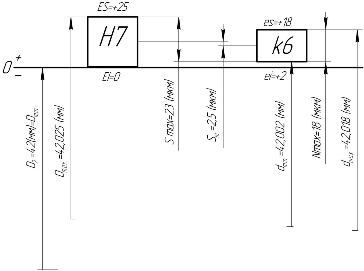
Переходная посадка схема
Переходная посадка схема
Основные принципы построения системы допусков и посадок
Основные принципы построения системы допусков и посадок
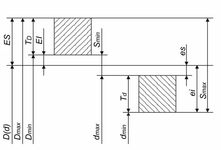
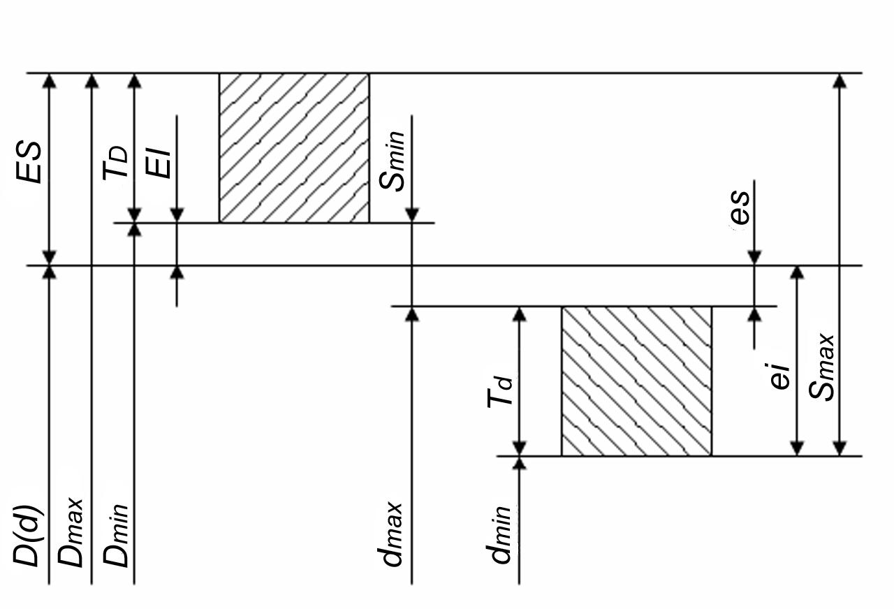
Поля допусков отверстия и вала при посадке с зазором
Поля допусков отверстия и вала при посадке с зазором
Поле допуска основного отверстия
Поле допуска основного отверстия
Поля допусков отверстия и вала при посадке с зазором
Поля допусков отверстия и вала при посадке с зазором
Таблица допусков 14 Квалитет

Фотография Таблица допусков 14 Квалитет

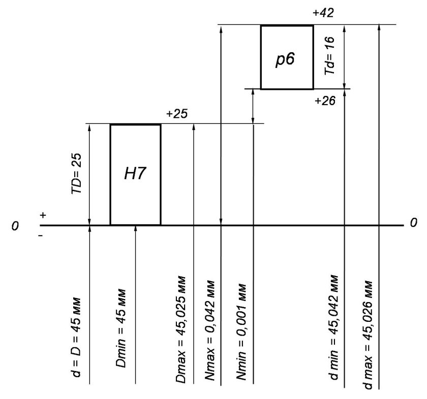
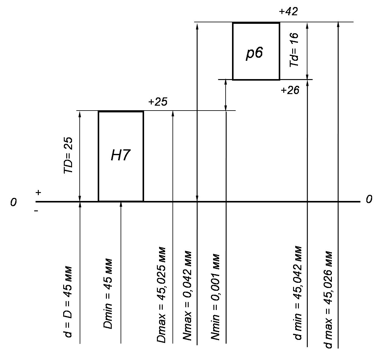
Посадка с натягом в системе вала
Посадка с натягом в системе вала
Таблица допусков и посадок система вала
Таблица допусков и посадок система вала
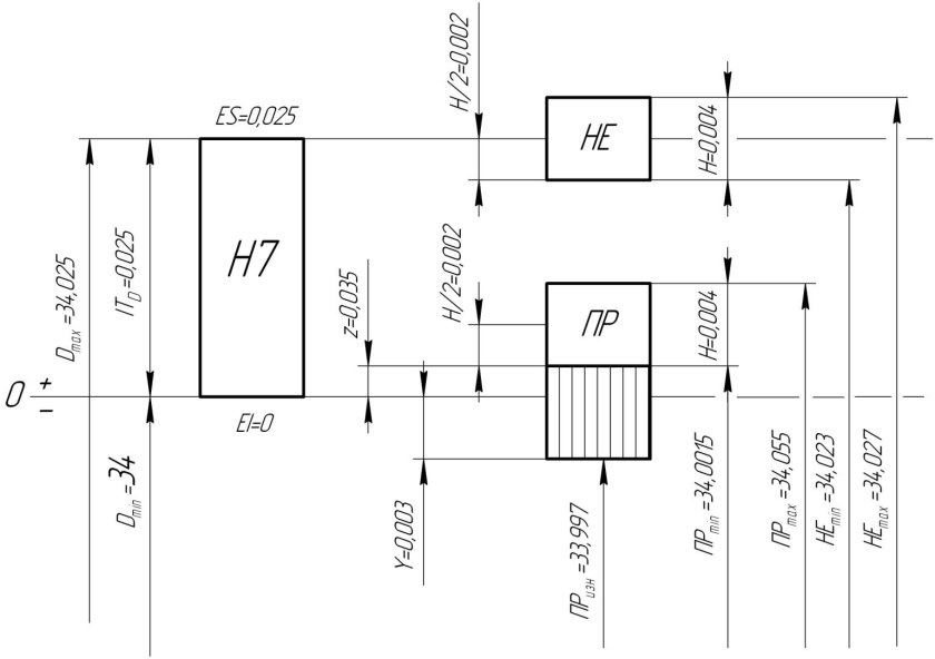
Схема расположения полей допусков калибра-скобы
Схема расположения полей допусков калибра-скобы
Квалитет h10 допуски
Квалитет h10 допуски
Допуск u8 для вала
Допуск u8 для вала
Допуски для размеров свыше 500 мм
Допуски для размеров свыше 500 мм
Посадка с зазором натягом переходная схема
Посадка с зазором натягом переходная схема
Посадки с натягом рекомендуемые таблица
Посадки с натягом рекомендуемые таблица
Посадки с зазором с натягом и переходные таблица
Посадки с зазором с натягом и переходные таблица
Посадка прессовая допуски таблица
Посадка прессовая допуски таблица
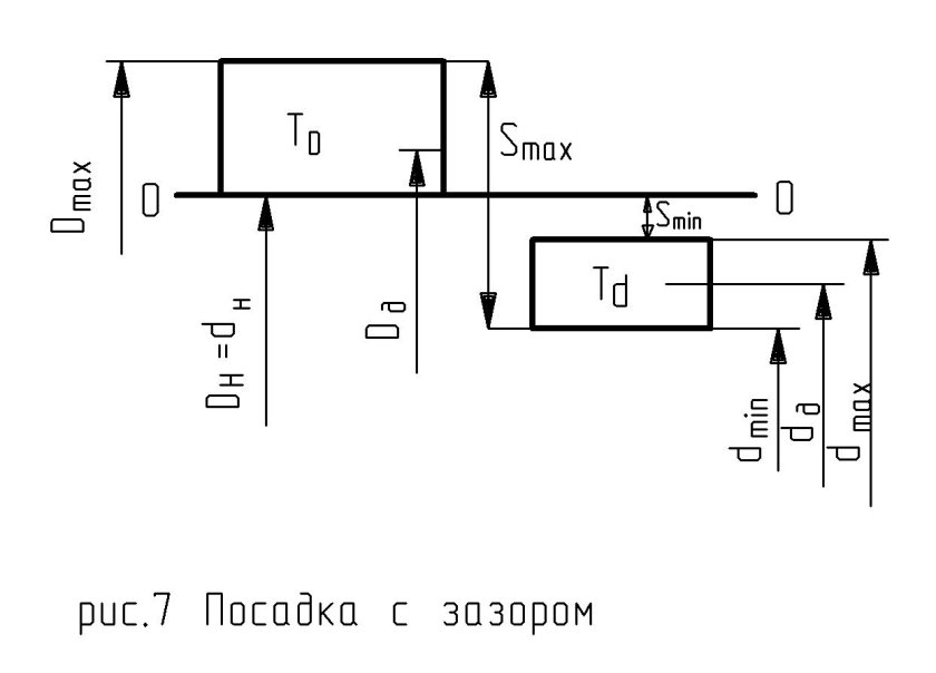
Посадка вал отверстие с зазором
Посадка вал отверстие с зазором
Решение задач по метрологии допуски и посадки
Решение задач по метрологии допуски и посадки
Допуски и посадки на чертежах
Допуски и посадки на чертежах
Натяг зазор переходная посадка
Натяг зазор переходная посадка
Схема полей допусков посадки с зазором
Схема полей допусков посадки с зазором
Квалитеты точности посадки
Квалитеты точности посадки
Посадка шпонки и шпоночные пазы
Посадка шпонки и шпоночные пазы
Схема расположения полей допусков болта и гайки

Фотография Схема расположения полей допусков болта и гайки

Система допусков и посадок а5
Система допусков и посадок а5
Допуски посадки подшипников на вал
Допуски посадки подшипников на вал
Допуски и посадки шпоночных соединений
Допуски и посадки шпоночных соединений
Прессовая посадка пр 3
Прессовая посадка пр 3
Схема полей допусков посадки
Схема полей допусков посадки
Прессовая посадка пр13 допуск
Прессовая посадка пр13 допуск
Допуски на чертежах обозначения примеры
Допуски на чертежах обозначения примеры
Схема расположения и обозначения основных отклонений
Схема расположения и обозначения основных отклонений
Допуски посадок валов и отверстий h7
Допуски посадок валов и отверстий h7
Допуски по системе ОСТ
Допуски по системе ОСТ
Посадка муфты на вал допуски
Посадка муфты на вал допуски
Допуски и посадки подшипников качения на вал и в корпус
Допуски и посадки подшипников качения на вал и в корпус
Допуски посадки вал втулка
Допуски посадки вал втулка
ГОСТ 25347 82 таблица
ГОСТ 25347 82 таблица
Допуск переходная посадка h7/n6
Допуск переходная посадка h7/n6
Квалитеты допусков и посадок it14/2

Фотография Квалитеты допусков и посадок it14/2

Посадка с зазором вал втулка
Посадка с зазором вал втулка
Таблица допусков и посадок ОСТ
Таблица допусков и посадок ОСТ
Допуски и посадки под подшипники таблица
Допуски и посадки под подшипники таблица
Допуски посадки и контроль шпоночных соединений
Допуски посадки и контроль шпоночных соединений
H14 допуск таблица
H14 допуск таблица
Поле допуска посадки с зазором
Поле допуска посадки с зазором
Скользящая посадка отверстие вал чертеж
Скользящая посадка отверстие вал чертеж
Поле допусков и посадок таблица
Поле допусков и посадок таблица
Отклонения отверстия и вала по ГОСТ 25347-82:
Отклонения отверстия и вала по ГОСТ 25347-82:
Предельные отклонения h14 it14/2
Предельные отклонения h14 it14/2
Система вала и система отверстия в машиностроении
Система вала и система отверстия в машиностроении
Таблица допусков ОСТ
Таблица допусков ОСТ
ОСТ 1013 допуски и посадки
ОСТ 1013 допуски и посадки
Схема полей допусков посадки
Схема полей допусков посадки
ГОСТ 25346 допуск размеров
ГОСТ 25346 допуск размеров
It14/2 таблица допусков линейных
It14/2 таблица допусков линейных
Допуски и посадки в машиностроении таблица
Допуски и посадки в машиностроении таблица
ГОСТ 25348-82
ГОСТ 25348-82
Таблица допусков и посадок h11
Таблица допусков и посадок h11
Поле допуска подшипника качения
Поле допуска подшипника качения
Графическое изображение полей допусков и посадок
Графическое изображение полей допусков и посадок
Допуски и посадки подшипников качения на вал
Допуски и посадки подшипников качения на вал
Обозначение поля допуска отверстия
Обозначение поля допуска отверстия
Посадки с зазором с натягом и переходные таблица
Посадки с зазором с натягом и переходные таблица
ОСТ 1022 допуски и посадки
ОСТ 1022 допуски и посадки
Посадка с натягом таблица отверстий
Посадка с натягом таблица отверстий
Поля допусков шпоночного соединения
Поля допусков шпоночного соединения
Неподвижная посадка
Неподвижная посадка
Допуски и посадки в машиностроении справочник
Допуски и посадки в машиностроении справочник
Система посадок
Система посадок
Таблица квалитетов ГОСТ 25347-82
Таблица квалитетов ГОСТ 25347-82
Отклонение отверстий по h14
Отклонение отверстий по h14
Система вала система отверстия допуски и посадки
Система вала система отверстия допуски и посадки
0

Похожие фотографии

Комментарии (0)

Кликните на изображение чтобы обновить код, если он неразборчив