Балластировка судна

0
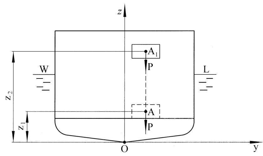
Балласт на судне
Балласт на судне
Балласт на судне
Балласт на судне
Балластные воды
Балластные воды
Фактор балластировки судна это
Фактор балластировки судна это
Балластные воды
Балластные воды
Танкер Владимир Мономах Роснефтефлот
Танкер Владимир Мономах Роснефтефлот
Авторское свидетельство
Авторское свидетельство
Балластировка пути
Балластировка пути
На корабль

Фотография На корабль

ПКБУ-530
ПКБУ-530
ПКБУ-МКС-820
ПКБУ-МКС-820
Манифольд на танкере
Манифольд на танкере
Трубоукладочная баржа Каспийское море
Трубоукладочная баржа Каспийское море
Балластировка трубопровода
Балластировка трубопровода
Крепление контейнеров на судне
Крепление контейнеров на судне
Сточные воды на судне
Сточные воды на судне
Схема балластировки трубопровода
Схема балластировки трубопровода
ПКБУ 1220
ПКБУ 1220
Судно цементовоз
Судно цементовоз
Подводный кабель

Фотография Подводный кабель

Коксовая постель в судостроении
Коксовая постель в судостроении
Балластировка убо
Балластировка убо
Перегрузка труб большого диаметра
Перегрузка труб большого диаметра
Ппу утепление
Ппу утепление
Чёртеж прокладки газопровода
Чёртеж прокладки газопровода
Танкер балласт
Танкер балласт
Метацентрическая высота судна формула
Метацентрическая высота судна формула
Морской балласт
Морской балласт
Санитарные правила для морских судов
Санитарные правила для морских судов
Cougar Ace
Cougar Ace
Судостроитель-Судоремонтник металлических судов
Судостроитель-Судоремонтник металлических судов
Григорий Бугров судно
Григорий Бугров судно
Подруливающие винты кораблей
Подруливающие винты кораблей
Щебнеочистительная машина RM-80
Щебнеочистительная машина RM-80
Судно снабжения платформ (PSV)
Судно снабжения платформ (PSV)
Обрастание корпуса корабля
Обрастание корпуса корабля
Надувные баллоны для подъема судов
Надувные баллоны для подъема судов
Трюм сухогруза

Фотография Трюм сухогруза

Газовоз arc7
Газовоз arc7
Шаланда баржа
Шаланда баржа
Применение анкеров для балластировки трубопровода
Применение анкеров для балластировки трубопровода
Морской контейнеровоз трюм
Морской контейнеровоз трюм
ПКБУ 1220
ПКБУ 1220
Судно нефтесборщик
Судно нефтесборщик
Слипы и стапели
Слипы и стапели
Высадка лоцмана
Высадка лоцмана
0

Похожие фотографии

Комментарии (0)

Кликните на изображение чтобы обновить код, если он неразборчив