Панель приборов шевроле блейзер

0
Приборка Шевроле блейзер 2.2
Приборка Шевроле блейзер 2.2
Приборная панель Blazer s10
Приборная панель Blazer s10
Приборка Шевроле блейзер 2
Приборка Шевроле блейзер 2
Приборная панель Шевроле блейзер
Приборная панель Шевроле блейзер
Приборная панель Chevrolet Blazer
Приборная панель Chevrolet Blazer
Приборная панель Chevrolet Blazer
Приборная панель Chevrolet Blazer
Лампочки для приборной панели Chevrolet Blazer
Лампочки для приборной панели Chevrolet Blazer
Приборная панель Chevrolet Blazer
Приборная панель Chevrolet Blazer
Электронная приборная панель Шевроле блейзер

Фотография Электронная приборная панель Шевроле блейзер

Chevrolet Blazer, 1992 цифровая панель
Chevrolet Blazer, 1992 цифровая панель
Приборная панель Chevrolet Blazer
Приборная панель Chevrolet Blazer
Chevrolet Tahoe 1994 приборка
Chevrolet Tahoe 1994 приборка
Блейзер приборная панель
Блейзер приборная панель
Шевроле блейзер 1998
Шевроле блейзер 1998
Chevrolet trailblazer индикаторы приборной панели
Chevrolet trailblazer индикаторы приборной панели
Приборная панель Chevrolet Blazer
Приборная панель Chevrolet Blazer
Приборная панель Tahoe 840
Приборная панель Tahoe 840
Chevrolet blazer 1995
Chevrolet blazer 1995
Приборная панель trailblazer
Приборная панель trailblazer
Приборка Chevrolet Blazer s10

Фотография Приборка Chevrolet Blazer s10

Пересвет панели приборов trailblazer 2005
Пересвет панели приборов trailblazer 2005
Приборная панель Шевроле блейзер
Приборная панель Шевроле блейзер
Chevrolet tahoe gmt 800
Chevrolet tahoe gmt 800
Приборная панель Трейлблейзер
Приборная панель Трейлблейзер
Приборная панель trailblazer 1
Приборная панель trailblazer 1
Приборная панель форд скорпио 1
Приборная панель форд скорпио 1
Приборка Chevrolet Blazer s10
Приборка Chevrolet Blazer s10
Панель приборов Шевроле Трейлблейзер
Панель приборов Шевроле Трейлблейзер
Chevrolet Blazer 2022
Chevrolet Blazer 2022
Приборная панель Трейлблейзер
Приборная панель Трейлблейзер
Приборная панель в Chevrolet k5 Blazer
Приборная панель в Chevrolet k5 Blazer
Chevrolet Astro спидометр
Chevrolet Astro спидометр
Панель приборов Шевроле Трейлблейзер
Панель приборов Шевроле Трейлблейзер
Панель приборов Трейлблейзер 1
Панель приборов Трейлблейзер 1
Chevrolet Tahoe 2005 приборная панель
Chevrolet Tahoe 2005 приборная панель
Ford mondeo 4 приборная панель
Ford mondeo 4 приборная панель
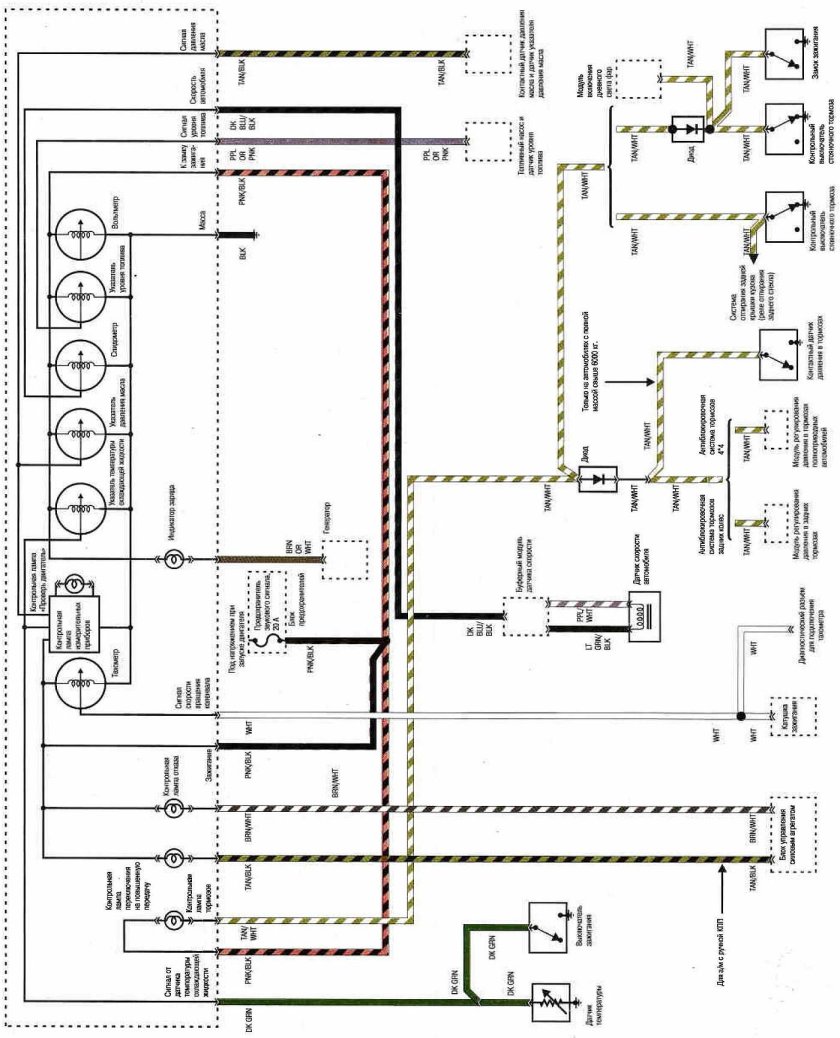
Распиновка приборной панели Шевроле блейзер 1998
Распиновка приборной панели Шевроле блейзер 1998
Пересвет панели приборов trailblazer 2005
Пересвет панели приборов trailblazer 2005
Передняя панель Шевроле Трейлблейзер 2006
Передняя панель Шевроле Трейлблейзер 2006
Приборная панель Tahoe 840

Фотография Приборная панель Tahoe 840

Щиток приборов
Щиток приборов
Купить резинки консоль Шевроле Трайл блейзер 2003
Купить резинки консоль Шевроле Трайл блейзер 2003
Chevrolet malibu ix
Chevrolet malibu ix
Jeep liberty индикаторы приборной панели
Jeep liberty индикаторы приборной панели
Приборная панель Шевроле блейзер
Приборная панель Шевроле блейзер
Приборная панель Chevrolet Express
Приборная панель Chevrolet Express
Додж караван
Додж караван
Приборная панель шевроле авео т 250
Приборная панель шевроле авео т 250
Приборная панель trailblazer 1
Приборная панель trailblazer 1
Chevrolet Tahoe 2005 приборная панель
Chevrolet Tahoe 2005 приборная панель
Пересвет панели приборов trailblazer 2005
Пересвет панели приборов trailblazer 2005
Приборная панель Шевроле блейзер
Приборная панель Шевроле блейзер
Спидометр Chevrolet Express
Спидометр Chevrolet Express
Панель приборов Шевроле экспресс
Панель приборов Шевроле экспресс
Панель приборов Шевроле Каптива с140
Панель приборов Шевроле Каптива с140
Плата приборной панели Шевроле Трейлблейзер

Фотография Плата приборной панели Шевроле Трейлблейзер

Панель приборов Шевроле Некст
Панель приборов Шевроле Некст
Шевроле блейзер спидометр 200
Шевроле блейзер спидометр 200
Замена подсветки в приборной панели Шевроле Трейлблейзер
Замена подсветки в приборной панели Шевроле Трейлблейзер
Подсветка Шевроле Трейлблейзер
Подсветка Шевроле Трейлблейзер
Шевроле блейзер 1999
Шевроле блейзер 1999
Шевроле блейзер электрическая схема
Шевроле блейзер электрическая схема
Приборка Шевроле блейзер 2.2
Приборка Шевроле блейзер 2.2
Chevrolet Lacetti приборная панель
Chevrolet Lacetti приборная панель
Chevrolet Blazer 2019 салон
Chevrolet Blazer 2019 салон
Chevrolet Tahoe 2005 приборная панель
Chevrolet Tahoe 2005 приборная панель
Chevrolet Blazer 1995 салон
Chevrolet Blazer 1995 салон
Приборная панель Шевроле Трейлблейзер 2005
Приборная панель Шевроле Трейлблейзер 2005
Спидометр Chevrolet trailblazer 2008
Спидометр Chevrolet trailblazer 2008
Chevrolet Blazer XT-1
Chevrolet Blazer XT-1
Шевроле Tahoe 2022
Шевроле Tahoe 2022
Приборка Шевроле блейзер 2.2
Приборка Шевроле блейзер 2.2
Шевроле блейзер 2023
Шевроле блейзер 2023
Приборная панель Тахо 400
Приборная панель Тахо 400
Лампочки приборной панели Нива Шевроле
Лампочки приборной панели Нива Шевроле
Приборная панель Chevrolet Aveo t250
Приборная панель Chevrolet Aveo t250
0

Похожие фотографии

Комментарии (0)

Кликните на изображение чтобы обновить код, если он неразборчив