Электротрактор на проводах

0
Электротрактор ХТЗ-12
Электротрактор ХТЗ-12
Электротрактор ХТЗ-12
Электротрактор ХТЗ-12
Электротрактор ВИМЭ-2.
Электротрактор ВИМЭ-2.
Электротрактор ХТЗ-12
Электротрактор ХТЗ-12
Электротрактор СССР
Электротрактор СССР
Трактор универсал ЧЗСА
Трактор универсал ЧЗСА
Monarch трактор
Monarch трактор
Советский электротрактор ХТЗ-12
Советский электротрактор ХТЗ-12
Советские электрические тракторы

Фотография Советские электрические тракторы

Электротрактор ХТЗ-12
Электротрактор ХТЗ-12
Электротрактор ХТЗ-12
Электротрактор ХТЗ-12
Mobel электротрактор
Mobel электротрактор
John Deere электротрактор
John Deere электротрактор
Mobel электротрактор
Mobel электротрактор
Электротрактор
Электротрактор
Электрический трактор
Электрический трактор
Электрооборудование проводка трактора т40
Электрооборудование проводка трактора т40
Джон Дир электротрактор
Джон Дир электротрактор
Fendt e100 Vario
Fendt e100 Vario
Monarch tractor

Фотография Monarch tractor

Электрический трактор
Электрический трактор
Трактора российского производства
Трактора российского производства
Electric tractor
Electric tractor
Коммунальный трактор
Коммунальный трактор
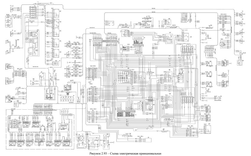
Схема электрическая трактора т-25
Схема электрическая трактора т-25
Схема электропроводки т 25
Схема электропроводки т 25
Monarch tractor
Monarch tractor
Электротрактор Ермак
Электротрактор Ермак
Мини электротрактор
Мини электротрактор
Электротрактор Ермак
Электротрактор Ермак
Схема электропроводки т 25
Схема электропроводки т 25
Monarch трактор
Monarch трактор
Самодельный электротрактор
Самодельный электротрактор
Fendt e100 Vario
Fendt e100 Vario
Провода электрические
Провода электрические
Трактора в поле
Трактора в поле
Детский электромобиль трактор
Детский электромобиль трактор
Детский электроавтомобиль трактор
Детский электроавтомобиль трактор
Трактор детский
Трактор детский
Электро дуга на подстанции

Фотография Электро дуга на подстанции

Провода ЛЭП
Провода ЛЭП
Провода ЛЭП
Провода ЛЭП
Схема электрооборудования трактора т-25
Схема электрооборудования трактора т-25
Электрическая схема трактора МТЗ 1221
Электрическая схема трактора МТЗ 1221
Сельскохозяйственное устройство
Сельскохозяйственное устройство
Жгут проводов
Жгут проводов
ХТЗ-12 трактор
ХТЗ-12 трактор
Схема прокладки оптического кабеля
Схема прокладки оптического кабеля
Трактор Ермак
Трактор Ермак
Павильон механизации на ВСХВ-1939
Павильон механизации на ВСХВ-1939
Электротрактор
Электротрактор
Fendt e100 Vario
Fendt e100 Vario
Краулинг робот
Краулинг робот
Роботы в сельском хозяйстве
Роботы в сельском хозяйстве
Беспилотник запутался в проводах
Беспилотник запутался в проводах
Детский трактор Ташкенте
Детский трактор Ташкенте
Трактор Peg Perego John Deere
Трактор Peg Perego John Deere
Схема электрическая трактора т-25

Фотография Схема электрическая трактора т-25

Схема проводки трактора т 25 цветная
Схема проводки трактора т 25 цветная
Fendt e100 Vario
Fendt e100 Vario
Автономная Социалистическая Советская Республика немцев Поволжья
Автономная Социалистическая Советская Республика немцев Поволжья
Fendt e100 Vario
Fendt e100 Vario
Monarch трактор
Monarch трактор
Детский мотоблок
Детский мотоблок
Детский электромобиль трактор
Детский электромобиль трактор
Monarch трактор
Monarch трактор
Электротрактор Ермак
Электротрактор Ермак
Детский электротрактор с прицепом
Детский электротрактор с прицепом
Коммунальный погрузчик
Коммунальный погрузчик
Коммунальный трактор
Коммунальный трактор
Электротрактор для дачи
Электротрактор для дачи
Электрик повис на проводах
Электрик повис на проводах
Синий трактор New Holland
Синий трактор New Holland
Автономный трактор
Автономный трактор
Ветка на проводах вл 10 кв
Ветка на проводах вл 10 кв
Трактор с ковшом и пультом управления hl389 (tr007)
Трактор с ковшом и пультом управления hl389 (tr007)
Электрическая схема МТЗ 80
Электрическая схема МТЗ 80
0

Похожие фотографии

Комментарии (0)

Кликните на изображение чтобы обновить код, если он неразборчив