Заправочные емкости бульдозера т 170

0
Бульдозер Либхер заправочные емкости
Бульдозер Либхер заправочные емкости
Бульдозер ЧТЗ б11
Бульдозер ЧТЗ б11
Устройство бульдозера
Устройство бульдозера
ЧТЗ трактор т-170
ЧТЗ трактор т-170
Трактор ЧТЗ 170
Трактор ЧТЗ 170
Бульдозер чтз
Бульдозер чтз
ЧЕТРА Т35.01
ЧЕТРА Т35.01
Бульдозер дст-урал d10
Бульдозер дст-урал d10
Двигатель бульдозер т130

Фотография Двигатель бульдозер т130

Бульдозер zoomlion
Бульдозер zoomlion
Т100 трактор габариты
Т100 трактор габариты
Заправочные емкости трактора т 150 к
Заправочные емкости трактора т 150 к
Бульдозер ЧЕТРА т20
Бульдозер ЧЕТРА т20
Гусянка для проводки
Гусянка для проводки
Заправочные емкости бульдозера SD 16
Заправочные емкости бульдозера SD 16
Заправочные ёмкости трактора ЛТЗ 60
Заправочные ёмкости трактора ЛТЗ 60
Заправочные ёмкости ВАЗ 11113 Ока
Заправочные ёмкости ВАЗ 11113 Ока
Заправочные емкости трактора т 150 к
Заправочные емкости трактора т 150 к
Количество масла в редукторе
Количество масла в редукторе
Трактор т-170 двигатель

Фотография Трактор т-170 двигатель

Бульдозер т 170 после капремонта
Бульдозер т 170 после капремонта
Бульдозер ДЗ-18 технические характеристики
Бульдозер ДЗ-18 технические характеристики
Бульдозер ДЗ-170
Бульдозер ДЗ-170
Вин бульдозера б170
Вин бульдозера б170
Бульдозер б170м1.03ВР
Бульдозер б170м1.03ВР
Бульдозера т-170/б-10
Бульдозера т-170/б-10
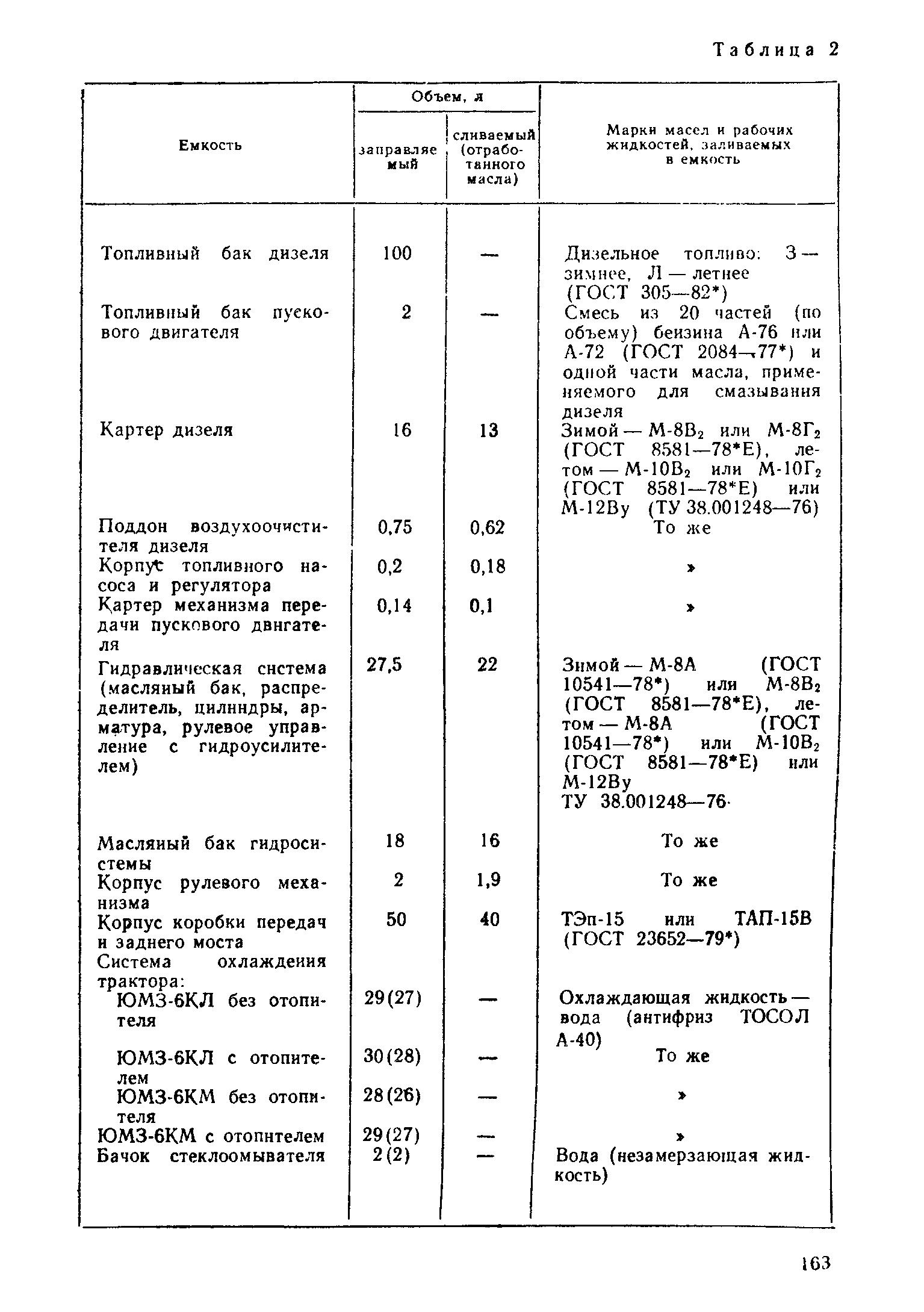
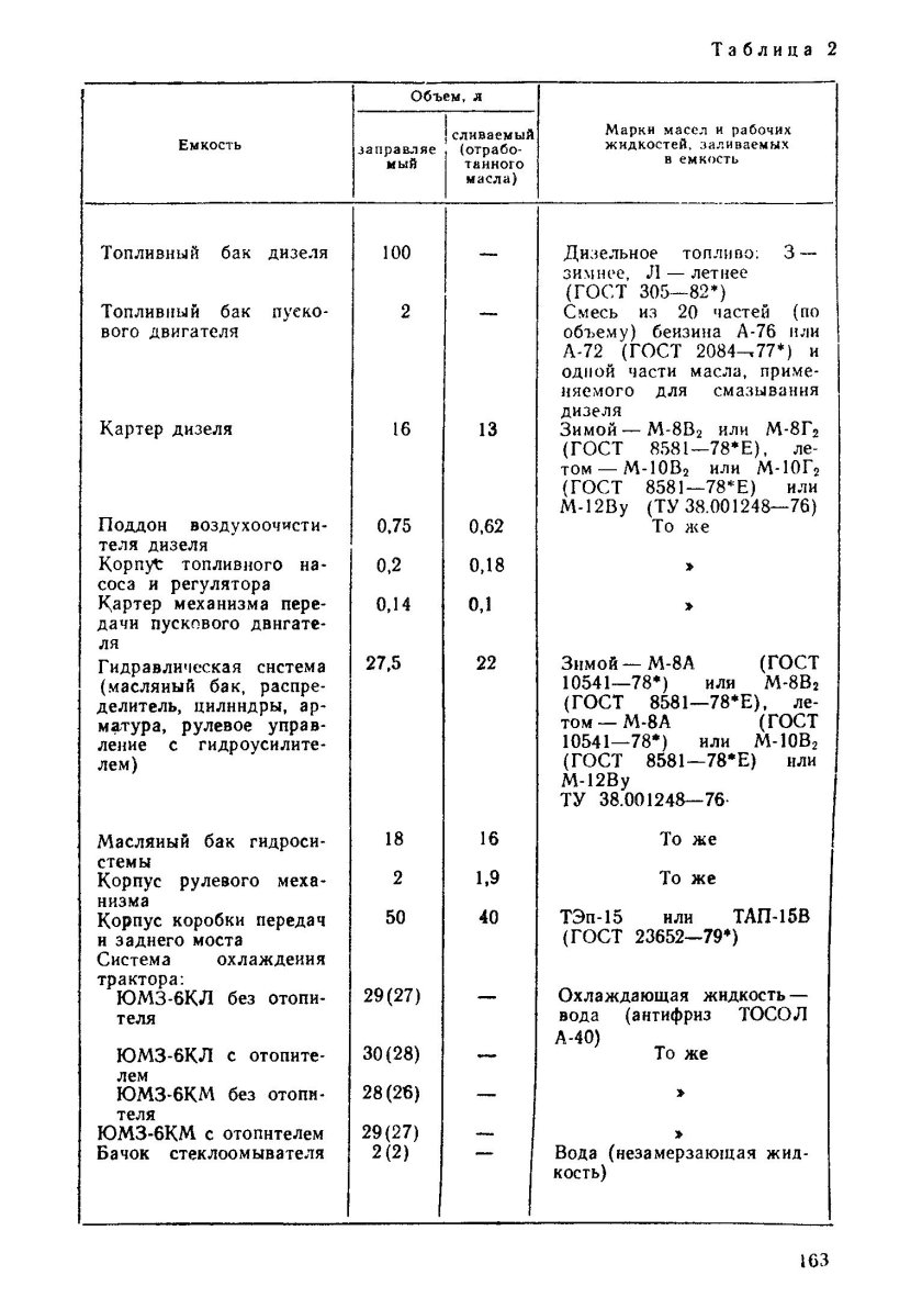
Заправочные ёмкости ЮМЗ 6 экскаватор
Заправочные ёмкости ЮМЗ 6 экскаватор
ЧТЗ б11
ЧТЗ б11
Трактор ЧЕТРА т11
Трактор ЧЕТРА т11
Трактор т10мб.2121-2
Трактор т10мб.2121-2
0

Похожие фотографии

Комментарии (0)

Кликните на изображение чтобы обновить код, если он неразборчив