Панель приборов дайхатсу пузар

0
Лампа подсветки приборной панели Daihatsu Terios j200
Лампа подсветки приборной панели Daihatsu Terios j200
Панель приборов Дайхатсу Териос
Панель приборов Дайхатсу Териос
Daihatsu Gran move 2000 салон
Daihatsu Gran move 2000 салон
Дайхатсу Пузар приборная панель печки
Дайхатсу Пузар приборная панель печки
Панель приборов Дайхатсу Териос
Панель приборов Дайхатсу Териос
Об автомобиле
Об автомобиле
Daihatsu gran move
Daihatsu gran move
Daihatsu gran move
Daihatsu gran move
Daihatsu gran move

Фотография Daihatsu gran move

Щиток приборов мазда бонго
Щиток приборов мазда бонго
Daihatsu terios
Daihatsu terios
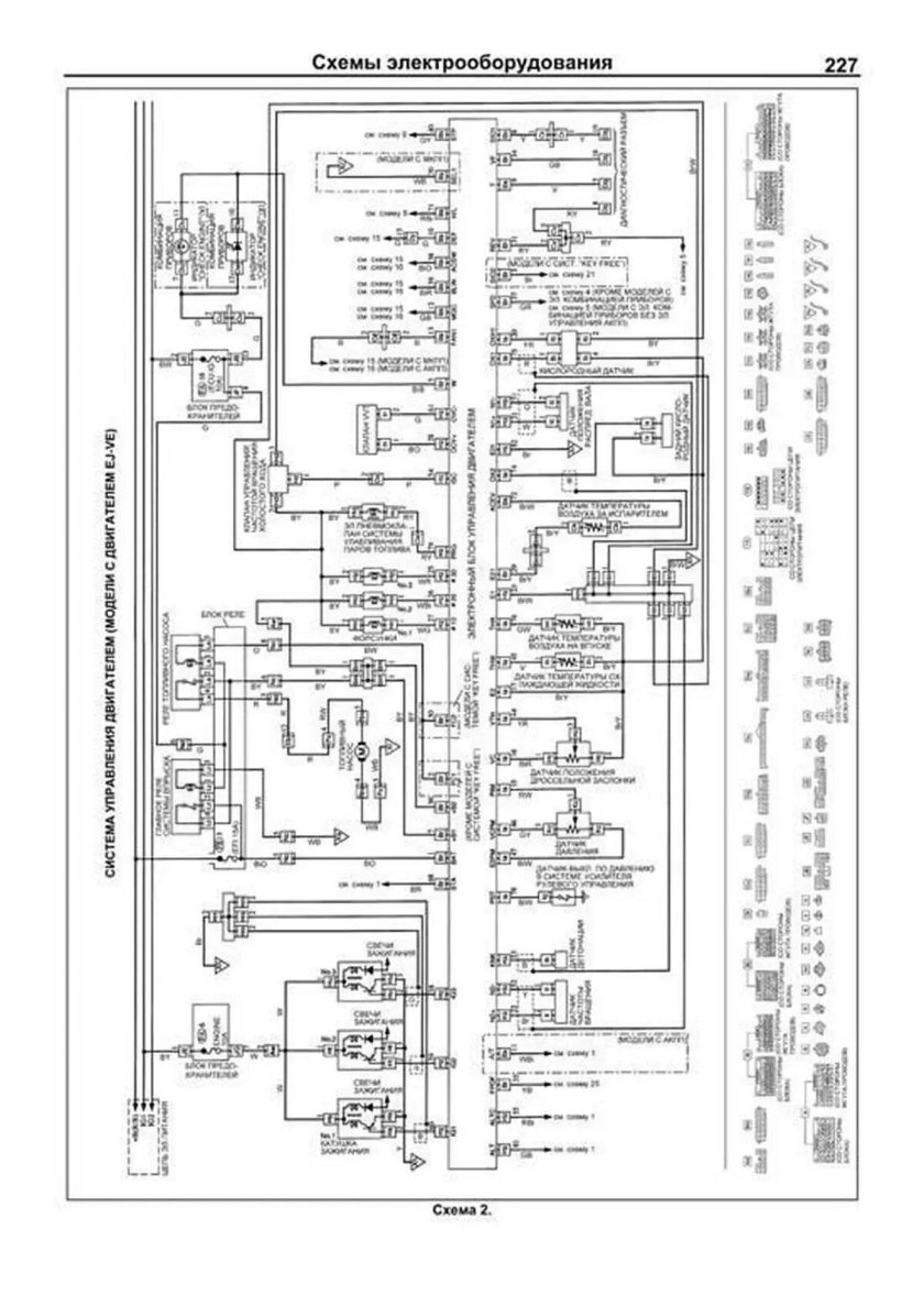
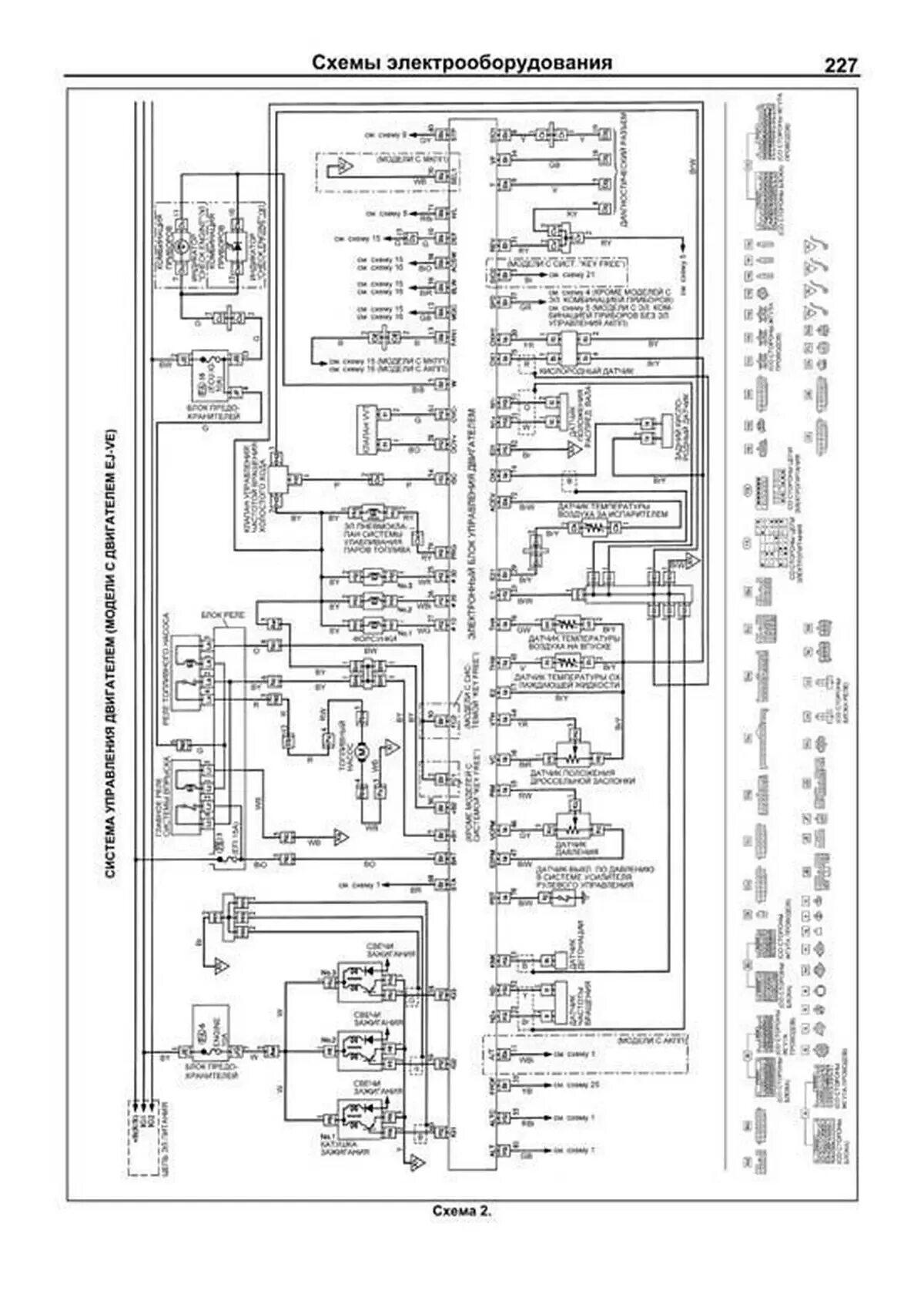
Схема электрооборудования тойота лит айс
Схема электрооборудования тойота лит айс
Toyota duet 1998 2004
Toyota duet 1998 2004
Terios Daihatsu 1g
Terios Daihatsu 1g
Daihatsu gran move
Daihatsu gran move
Daihatsu Terios приборная панель

Фотография Daihatsu Terios приборная панель

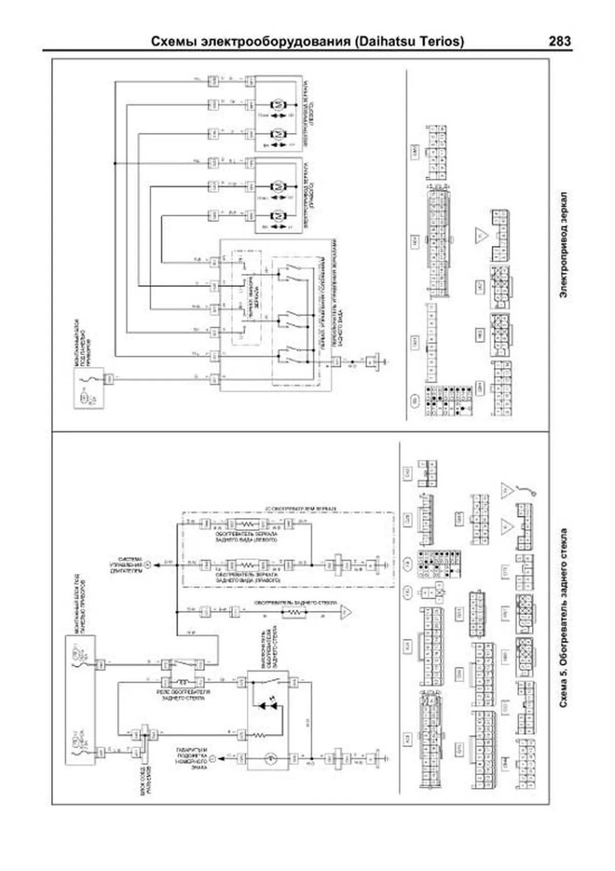
Схема электрооборудования Дайхатсу Териос
Схема электрооборудования Дайхатсу Териос
Daihatsu Mira приборная панель
Daihatsu Mira приборная панель
Снять магнитолу на Daihatsu move 2014 года
Снять магнитолу на Daihatsu move 2014 года
Схема электрооборудования Дайхатсу Териос 1
Схема электрооборудования Дайхатсу Териос 1
Датчик спидометра Дайхатсу Пузар
Датчик спидометра Дайхатсу Пузар
0

Похожие фотографии

Комментарии (0)

Кликните на изображение чтобы обновить код, если он неразборчив