Габариты мазда 626

0
Mazda 626 GD Blueprint
Mazda 626 GD Blueprint
Габариты Митсубиси Галант 8
Габариты Митсубиси Галант 8
Геометрия кузова Мазда 626 1993 г
Геометрия кузова Мазда 626 1993 г
Геометрия кузова Тойота Королла 120 кузов
Геометрия кузова Тойота Королла 120 кузов
Мазда капелла универсал 2000
Мазда капелла универсал 2000
Mazda 626 ge
Mazda 626 ge
Мазда 626 gf габариты
Мазда 626 gf габариты
Mazda 626 iii
Mazda 626 iii
Мазда 626 габариты

Фотография Мазда 626 габариты

Мазда 626 1995 седан
Мазда 626 1995 седан
Mazda 626 III
Mazda 626 III
Mazda 626 gf
Mazda 626 gf
Mazda 626 2003
Mazda 626 2003
Mazda 626 ge 2.0
Mazda 626 ge 2.0
Mazda 626 GD седан
Mazda 626 GD седан
Mazda 626 1993

Фотография Mazda 626 1993

Mazda 323f bg геометрия кузова
Mazda 323f bg геометрия кузова
Мазда 626 седан
Мазда 626 седан
Mazda 626 gf
Mazda 626 gf
Mazda 626 1989
Mazda 626 1989
Mazda 6261996 imobilaiser fuse
Mazda 6261996 imobilaiser fuse
Мазда 626 технические характеристики
Мазда 626 технические характеристики
Mazda xedos 6
Mazda xedos 6
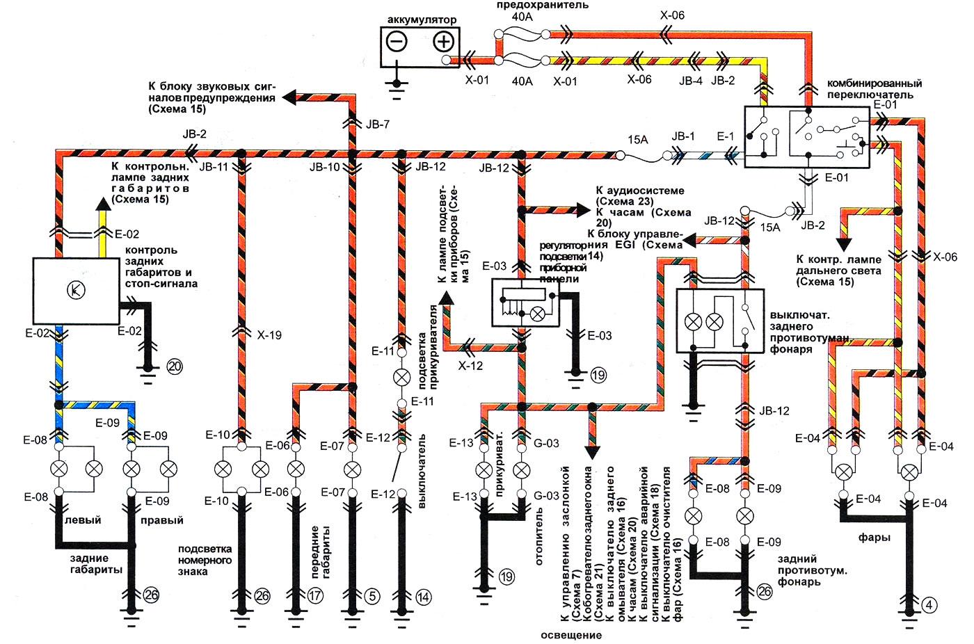
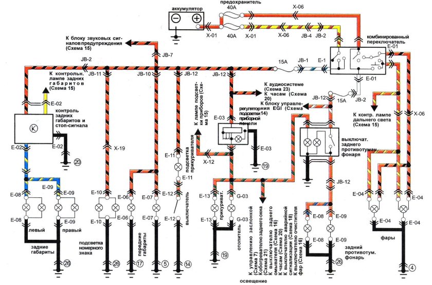
Электрическая схема Мазда 626gd 1987-1991
Электрическая схема Мазда 626gd 1987-1991
Mazda 626 1998
Mazda 626 1998
Mazda 323f bg геометрия кузова
Mazda 323f bg геометрия кузова
Мазда 626 gf
Мазда 626 gf
Диски Мазда 626 ge
Диски Мазда 626 ge
Mazda 626 86
Mazda 626 86
Американки на мазд 626 ge
Американки на мазд 626 ge
Mazda 626 II
Mazda 626 II
Mazda 626 купе 1987
Mazda 626 купе 1987
Mazda 626 GD седан
Mazda 626 GD седан
0

Похожие фотографии

Комментарии (0)

Кликните на изображение чтобы обновить код, если он неразборчив