Автомат стабилизации

0
Реле контроля напряжения и тока SINOTIMER SVP-916 80a
Реле контроля напряжения и тока SINOTIMER SVP-916 80a
Реле напряжения Protector 63 ампер
Реле напряжения Protector 63 ампер
Реле защиты по току и напряжению SINOTIMER SVP-916 40 А
Реле защиты по току и напряжению SINOTIMER SVP-916 40 А
Байпас 2p 25a энергия е0304-0008
Байпас 2p 25a энергия е0304-0008
Реле напряжения однофазное в щитке
Реле напряжения однофазное в щитке
Переключатель фаз digitop ps-63a
Переключатель фаз digitop ps-63a
Стабилизатор Powerman AVS 2000d
Стабилизатор Powerman AVS 2000d
Автоматический стабилизатор напряжения зубр
Автоматический стабилизатор напряжения зубр
Что такое байпас на стабилизатор напряжения Ресанта

Фотография Что такое байпас на стабилизатор напряжения Ресанта

Инверторный стабилизатор напряжения
Инверторный стабилизатор напряжения
Релейный стабилизатор PC-thr 500va "Akfa
Релейный стабилизатор PC-thr 500va "Akfa
Стабилизатор напряжения Lenz Technic r500w
Стабилизатор напряжения Lenz Technic r500w
Стабилизатор Powerman AVS 5000d
Стабилизатор Powerman AVS 5000d
Стабилизатор напряжения ЗУБР АСН-2000-1-Ц
Стабилизатор напряжения ЗУБР АСН-2000-1-Ц
Defender ASF 5000d 99039
Defender ASF 5000d 99039
Стабилизатор напряжения voto 10 КВТ
Стабилизатор напряжения voto 10 КВТ
Автоматический предохранитель 5а
Автоматический предохранитель 5а
Стабилизатор напряжения релейный RUCELF Стар-500
Стабилизатор напряжения релейный RUCELF Стар-500
Стабилизатор Люксеон
Стабилизатор Люксеон
Байпас в обход реле напряжения схема

Фотография Байпас в обход реле напряжения схема

Стабилизатор напряжения voto PC-SVC-12kva
Стабилизатор напряжения voto PC-SVC-12kva
Стабилизатор напряжения однофазный ресанта ach
Стабилизатор напряжения однофазный ресанта ach
Автомат стабилизатор напряжения 220в в щиток
Автомат стабилизатор напряжения 220в в щиток
Стабилизатор voto 20кв
Стабилизатор voto 20кв
Электрическая схема стабилизатора Ресанта АСН-5000
Электрическая схема стабилизатора Ресанта АСН-5000
Схема подключения стабилизатора напряжения voltron 10000
Схема подключения стабилизатора напряжения voltron 10000
Стабилизатор напряжения однофазный Ресанта АСН 2000/1-Ц 63/6/4
Стабилизатор напряжения однофазный Ресанта АСН 2000/1-Ц 63/6/4
Стабилизатор напряжения powerman
Стабилизатор напряжения powerman
Стабилизатор напряжения 220в для квартиры в щиток на Дин рейку
Стабилизатор напряжения 220в для квартиры в щиток на Дин рейку
Ресанта АСН-10000ба
Ресанта АСН-10000ба
ЗУБР ас5000
ЗУБР ас5000
Стабилизатор напряжения Powerman
Стабилизатор напряжения Powerman
Схема подключения реле напряжения и стабилизатор напряжения 220в
Схема подключения реле напряжения и стабилизатор напряжения 220в
Стабилизатор Ресанта АСН-5000/1-Ц схема электрическая
Стабилизатор Ресанта АСН-5000/1-Ц схема электрическая
Реле напряжения РН-106
Реле напряжения РН-106
Схема подключения стабилизатора напряжения на 3 фазы
Схема подключения стабилизатора напряжения на 3 фазы
Стабилизатор напряжения однофазный Ресанта Ach-500/1-ц
Стабилизатор напряжения однофазный Ресанта Ach-500/1-ц
МР-105 турель радар
МР-105 турель радар
M61 Vulcan 20mm
M61 Vulcan 20mm
Скорпион боевой телеуправляемый армейский робот

Фотография Скорпион боевой телеуправляемый армейский робот

Схема подключения УЗО после реле напряжения
Схема подключения УЗО после реле напряжения
Стабилизатор dji ronin rs 3 pro
Стабилизатор dji ronin rs 3 pro
Питпак 1005
Питпак 1005
Реле скачков напряжения 220в
Реле скачков напряжения 220в
Схема подключения 3 однофазных реле напряжения
Схема подключения 3 однофазных реле напряжения
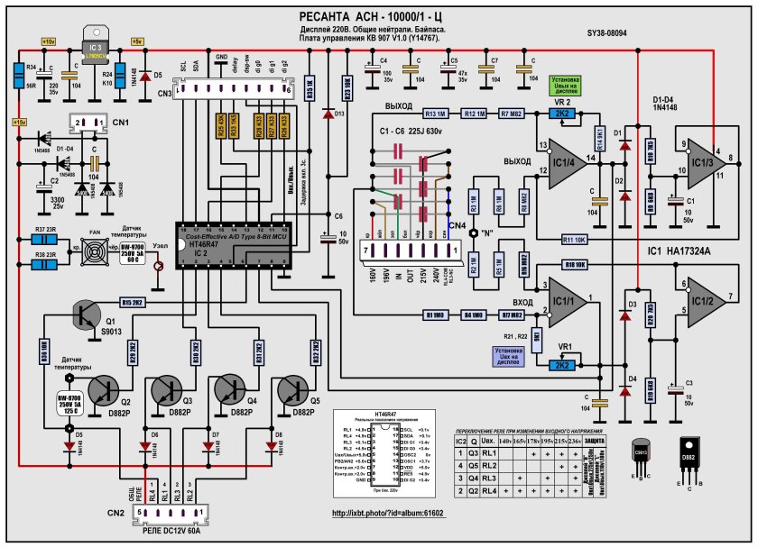
Стабилизатор напряжения Ресанта 10000 схема
Стабилизатор напряжения Ресанта 10000 схема
Стабилизатор SVC-5000 (ANDELI)
Стабилизатор SVC-5000 (ANDELI)
Реле напряжения 220в в сети 380
Реле напряжения 220в в сети 380
Ремонт релейного стабилизатора форте ТВР-1000 напряжения 220в
Ремонт релейного стабилизатора форте ТВР-1000 напряжения 220в
Стабилизатор напряжения ресанта асн 1000 1 ц
Стабилизатор напряжения ресанта асн 1000 1 ц
Схема стабилизатора Ресанта 10000
Схема стабилизатора Ресанта 10000
Боевой модуль m101
Боевой модуль m101
Стабилизатор напряжения Powerman AVS 10000
Стабилизатор напряжения Powerman AVS 10000
Стабилизатор напряжения Ресанта АСН 5000н/1-ц
Стабилизатор напряжения Ресанта АСН 5000н/1-ц
Кабина Су-27 DCS
Кабина Су-27 DCS
Стабилизатор АСН-1500/1-Ц
Стабилизатор АСН-1500/1-Ц
Стабилизатор асн- 500н1/1-ц (асн-500 н/1-ц) ресанта
Стабилизатор асн- 500н1/1-ц (асн-500 н/1-ц) ресанта
Автоматическая стабилизация
Автоматическая стабилизация
Схема стабилизатора напряжения SDR-500va
Схема стабилизатора напряжения SDR-500va
Стабилизатор Ресанта АСН-500/1

Фотография Стабилизатор Ресанта АСН-500/1

Стабилизатор напряжения Defender ASF 1500d напольный 900w
Стабилизатор напряжения Defender ASF 1500d напольный 900w
Стабилизатор Эра sta-1500
Стабилизатор Эра sta-1500
Стабилизатор напряжения Wester stw10000ns
Стабилизатор напряжения Wester stw10000ns
Схема трехфазного щитка с генератором
Схема трехфазного щитка с генератором
Powerman AVS 1000 A 6121482
Powerman AVS 1000 A 6121482
Стабилизатор ЗУБР АСН 500
Стабилизатор ЗУБР АСН 500
Стабилизатор Ресанта АСН-10000/1-Ц
Стабилизатор Ресанта АСН-10000/1-Ц
Пушка 2а46м устройство
Пушка 2а46м устройство
Ресанта АСН-5000н/1-ц
Ресанта АСН-5000н/1-ц
La parfum galleria choco madame
La parfum galleria choco madame
Схема подключения однофазного стабилизатора напряжения
Схема подключения однофазного стабилизатора напряжения
Стабилизатор напряжения автоматический профессионал ЗУБР 2000 ва 2 КВТ
Стабилизатор напряжения автоматический профессионал ЗУБР 2000 ва 2 КВТ
Стабилизатор Ресанта 13.5 КВТ
Стабилизатор Ресанта 13.5 КВТ
Реле контроля напряжение сети 220в
Реле контроля напряжение сети 220в
Автомат заряжания т-80
Автомат заряжания т-80
Схема платы стабилизатора напряжения Ресанта 5000
Схема платы стабилизатора напряжения Ресанта 5000
Стабилизатор АСН- 1 500/1-Ц Ресанта
Стабилизатор АСН- 1 500/1-Ц Ресанта
Стабилизатор напряжения Powerman AVS 3000 P
Стабилизатор напряжения Powerman AVS 3000 P
Реле напряжения РН-111м
Реле напряжения РН-111м
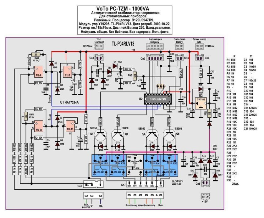
Стабилизатор напряжения вото PC-tzm1000va
Стабилизатор напряжения вото PC-tzm1000va
Стабилизатор Ресанта АСН 1000/1
Стабилизатор Ресанта АСН 1000/1
Реле напряжения Альбатрос РНТ-63а
Реле напряжения Альбатрос РНТ-63а
Вега-7 стабилизатор схема
Вега-7 стабилизатор схема
Стабилизатор напряжения ЗУБР АСН-2000-1-Ц
Стабилизатор напряжения ЗУБР АСН-2000-1-Ц
Стабилизатор напряжения voto 12 КВТ
Стабилизатор напряжения voto 12 КВТ
Реле напряжения 380в для дома в щиток Шнайдер
Реле напряжения 380в для дома в щиток Шнайдер
Стабилизатор напряжения ALTECO STDR 3000
Стабилизатор напряжения ALTECO STDR 3000
Cтабилизатор энергия АСН- 1500
Cтабилизатор энергия АСН- 1500
Forte TVR-5000 va
Forte TVR-5000 va
Стабилизатор напряжения однофазный Ресанта Lux АСН-8000н/1-ц 8 КВТ
Стабилизатор напряжения однофазный Ресанта Lux АСН-8000н/1-ц 8 КВТ
0

Похожие фотографии

Комментарии (0)

Кликните на изображение чтобы обновить код, если он неразборчив